提升机双泵液压站中液动换向阀的设计(下)

时间:2024-03-29 09:02:40  点击数:


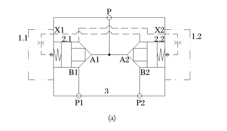
3.2 新型液动换向阀的设计

      新型液动换向阀是由两个二通插装阀组合而成的选择回路,具备二位三通方向控制阀功能,以实现两套泵装置的切换。中信重工 E6118B/E6119B 型液压站的液压阀组如图5 所示。图5 中,当 P1 处的泵装置工作时,插装组件 2.1 打开,插装组件 2.2 关闭,由 P1 处的泵装置向 P 口供油,P2 处的泵装置可以维修或停用待命;反之,当 P2 处的泵装置工作时,插装组件 2.2 打开,插装组件 2.1 关闭,由 P2 处的泵装置向 P 口供油,P1 处的泵装置可以维修或停用待命。
 


 
图5 新型液动换向阀
1.插装组件 2.2;2.控制盖板 1.2;3.控制盖板 1.1;4.插装组件 2.1。
 

      在提升机双泵液压站中,新型液动换向阀的设计和安装有以下两种方式。

      (1) 在阀组油路块中直接设计标准安装孔,将插装组件安装在标准安装孔中,再用控制盖板封严。图5 中,两个插装组件的位置和方向可根据液压阀组的具体情况灵活设计,与板式液动换向阀相比,阀组油路块的油孔设计简化了很多。

      (2) 将两个插装阀组合设计成一个独立的液动换向阀,再安装到阀组油路块上。如图6 所示,独立的液动换向阀包含一个独立的阀体 3,两端分别安装有一个插装组件 2 和一个控制盖板 1;阀体内部设计有油孔,用于连接两端的插装阀;阀体外侧安装面上设计有两个进油孔 P1 和 P2,通过管接头连接两个泵装置;阀体内侧安装面上设计有一个出油孔 P,阀组油路块上只需要设计一个与出油孔 P 配套的供油孔即可;阀体上设计有螺钉安装孔,用于将液动换向阀安装在阀组油路块上。

 
图6 独立的液动换向阀
1.控制盖板;2.插装组件;3.阀体。
 

      采用独立的液动换向阀,使阀组油路块的油孔设计得到了进一步简化。中信重工 E6161B/E6160B 型液压站的液压阀组的应用如图7 所示。
 
图7 液压阀组的应用

4 结语

      与常用板式液动换向阀相比,基于二通插装阀设计的新型液动换向阀具有安装方式和安装位置灵活,阀组油路块的油孔设计简单,液动换向阀流动阻力小、通流能力大、动作速度快、抗污染能力强,工作可靠等优点,简化了设计,保障了双泵液压站中两套泵装置的可靠切换,提高了制动系统的安全性能,保证了矿井提升系统的安全可靠运行。


 



Baidu
xk星空体育app